システム概要
主配電システム(10kV高電圧)は変圧器によって380V/220Vの低電圧に降圧され、クリーンルーム、プロセス機器、および電力機器に直接電力を供給します。ここは機器に電力が接続される最終地点でもあります。
主に以下の用途で使用されます
リソグラフィ装置、エッチング装置、薄膜成膜装置などのコアプロセス装置用電源
クリーンルーム用FFUファン、空調設備、温度・湿度管理システムへの電源供給装置。
特殊ガス貯蔵装置、化学薬品搬送装置、排ガス処理システム用電源
工場監視、セキュリティ、防火などの補助システムへの電源供給
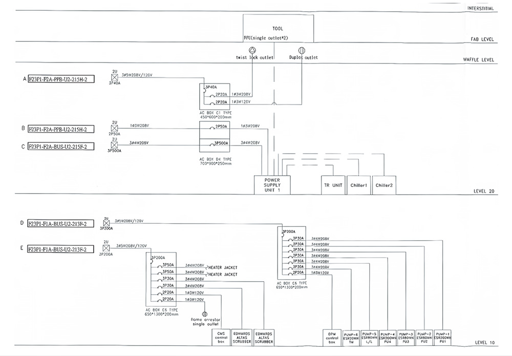
ある機器の二次構成設計事例
